Loading...
Начальная цена 5 000.00 ₽

Разработка электронных устройств

elecdev
elecdev
0 в очереди

1 неделя на выполнение

Н/Д
( 0 отзывов )

Действия

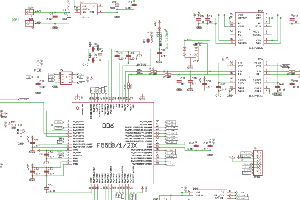
Разработка электронных устройств.

Проектирование электрической схемы устройства, трассировка (разводка), заказ и монтаж печатных плат.
Цифровая и аналоговая электроника.
Выполнение чертежей принципиальных электрических схем:
- по тех.заданию;
- по эскизам или образцу;
- по фотографии;
- по описанию электрической схемы.
Расчет электрической схемы, подбор элементов, поиск аналогов.
Составление перечня элементов.
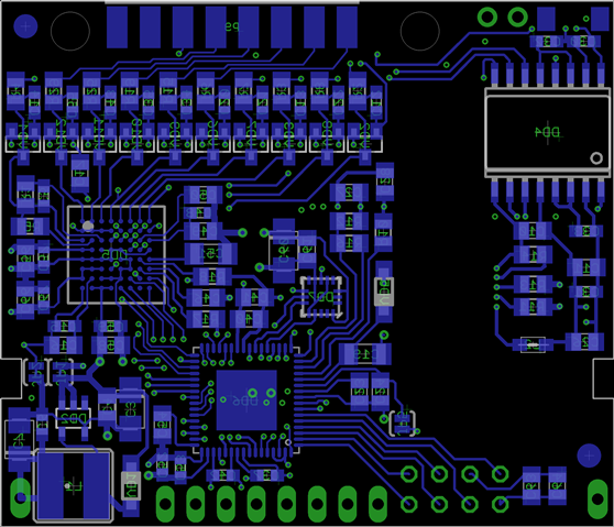
Трассировка(разводка) печатной платы.
Трассировка печатных плат по имеющейся схеме, по фотографиям, чертежам, эскизам существующего устройства.
Трассировка односторонних, двусторонних, многослойных печатных плат.
Корректировка маркировки компонентов. 3D - моделирование печатной платы.
Подготовка GERBER-файлов для заказа изготовления печатных плат на производстве.
Подготовка Pick and Plaсe файлов для автоматического размещения компонентов при монтаже плат.
Составление сборочных чертежей и чертежей размещения компонентов.
Среда разработки Eagle / EasyEDA / Altium Designer / PCAD

Заказ и изготовление печатных плат.
Маркировка шелкографией.